
Rokturis Cena Atloka tips peldošs augstspiediena cast tērauda lodveida vārsts
Tips: Q41F-16C/Q41F-25C
Pielāgots atbalsts:OEM, ODM
Materiāls: Lietie tēraudi
Darba spiediens: PN10/PN16/PN25
Izmērs:pielāgots izgatavots
Piemērots: ūdenim, tvaikam, eļļai, sašķidrinātai gāzei, dabasgāzei, gāzei, slāpekļskābei, etiķskābei, oksidējošai barotnei, urīnvielai un citiem nesējiem。
Darbības režīms: manuāls, pārnesumu piedziņa, elektriskais, pneimatiskais utt.
Produkta ievads
Produkta īpašības
1, dažādos vārstos, lodveida vārsta plūsmas pretestība ir vismazākā, kad tiek atvērts pilna diametra lodveida vārsts, lodveida kanāls, vārsta korpusa kanāls un savienojuma caurules diametrs ir vienāds un diametrā, barotne var plūst cauri gandrīz bez zaudējumiem
2. Lodveida vārstu var pilnībā aizvērt un pilnībā atvērt, pagriežot par 90°, ar ātru atvēršanu un aizvēršanu.
Salīdzinot ar vārtu vārstiem un lodveida vārstiem ar tādām pašām specifikācijām, lodveida vārsti ir mazi, gaismas svars un ērts cauruļvadu uzstādīšanai
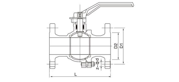
Lielumu

Q41F-16C Q41F-25C (1.6Mpa/2.5Mpa) Q41F-16C Q41F-25C (1.6Mpa/2.5Mpa) | ||||||
Specifikāciju | Ķermeņa garums L | Skrūvju atveres centra attālums D1 D1 | Blīvējošās virsmas diametrs D2 D2 | Skrūvju caurumu skaits/cauruma lielums Nφd Nφd | ||
| 1.6Mpa 1.6Mpa | 2.5Mpa 2.5Mpa 2.5Mpa | 1.6Mpa 1.6Mpa | 2.5Mpa 2.5Mpa 2.5Mpa | ||
DN32 DN32 | 165 | 100 | 78 | 4-φ18 | ||
DN40 DN40 | 180 | 110 | 85 | 4-φ18 | ||
DN50 DN50 | 200 | 125 | 100 | 4-φ18 | ||
DN65 DN65 | 220 | 145 | 120 | 4-φ18 | ||
DN80 DN80 | 250 | 160 | 135 | 8-φ18 | ||
DN100 DN100 | 280 | 180 | 190 | 155 | 8-φ18 | 8-φ23 |
DN125 DN125 | 320 | 210 | 220 | 185 | 8-φ18 | 8-φ26 |
DN150 DN150 | 360 | 240 | 250 | 210 | 8-φ23 | 8-φ26 |
DN200 DN200 | 400 | 295 | 310 | 265 | 12-φ23 | 12-φ26 |
DN250 DN250 | 450 | 355 | 320 | 320 | 12-φ26 | 12-φ30 |
Mūsu kompānija

Sertifikātus

Faq
1. Vai es varu saņemt bezmaksas paraugus?
A: Jā, mēs varam sniegt jums bezmaksas paraugus, bet jums ir jāsedz savas piegādes izmaksas.
2. Vai es varu pieprasīt mainīt iepakojuma un transportēšanas veidu?
A: Jā, Mēs varam mainīt iepakojuma formu un transportēšanu atbilstoši jūsu pieprasījumam, bet jums ir jāsedz savas izmaksas, kas radušās šajā periodā un sprediem.
3. Vai es varu pieprasīt nosūtīt sūtījumu?
A: Tas ir atkarīgs no tā, vai mūsu noliktavā ir pietiekami daudz krājumu.
4. Vai man uz produkta var būt savs logotips?
A: Jā, jūs varat nosūtīt mums savu zīmējumu, un mēs varam padarīt jūsu logo, bet jums ir jāsedz savas izmaksas.
5. Vai jūs varat ražot produktus saskaņā ar saviem zīmēniem?
A: Jā, mēs varam ražot produktus saskaņā ar jūsu zīmēšiem, kas jūs visvairāk apmierinās.
6. Kādi ir jūsu maksāšanas termiņi?
A: T / T, L / C , Alibaba Trade Assurance pieejams, pilnīgu aizsardzību jūsu pasūtījumiem.
7.Do jūs pieņemat pielāgotu dizainu pēc izmēra?
A: Jā, ja izmērs ir saprātīgs
8.Transportēšana
Transportē DHL, UPS, EMS, Fedex, SF, pa gaisu, pa jūru.
Jums varētu patikt arī
-

Elektriskais dzeramā ūdens katls, ko izmanto viesnīcu skolā Enterprises
-

Pārnēsājams vertikāls gāzes karstā ūdens sildītājs apkurei
-

Horizontālās biomasas granulu koksnes sadedzināšanas tvaika ģenerators
-

LDR vertikālais elektriskais apkures tvaika katls
-

LDR mazais rūpnieciskais elektriskais ātrās tvaika ģenerators
-

LSS eļļas / gāzes tvaika ģenerators


